Tell us your material, thickness & application
Our engineer will recommend the right model within 12 hours
Impact pressure 2-2000 kN, short operating stroke, optimal choice
Independent integrated power unit, delivering enormous impact pressure in minimal space, fully leveraging the advantages of pneumatic-hydraulic booster technology.
SIMITCH, adhering to German technology, has absorbed and transformed core pneumatic-hydraulic booster conversion technology, understanding how to effectively combine the advantages of compressed air and hydraulic oil.
SIMITCH's series of pneumatic-hydraulic booster cylinders can provide impact pressures up to 2000 kN.
| Model | 6 bar output pressure (KN) | 6 bar output quick strokeforce (kg) | 6 bar output return stroke force (kg) | Boost ratio | 6 bar output max. Oil pressure (bar) |
| BS01 -series | 11 | 95 | 105 | 62 | 345 |
| BS02-series | 17 | 50 | 170 | 64 | 350 |
| BS04-series | 35 | 240 | 260 | 69 | 380 |
| BS08-series | 72 | 350 | 370 | 61 | 340 |
| BS15-series | 135 | 500 | 700 | 64 | 350 |
| BS20-series | 200 | 580 | 780 | 64 | 350 |
| BS30-series | 276 | 730 | 1000 | 64 | 350 |
| BS50-series | 476 | 1150 | 1700 | 61 | 340 |
| BS75-series | 736 | 2355 | 3780 | 51 | 280 |
| BS100-series | 970 | 2355 | 3780 | 69 | 380 |

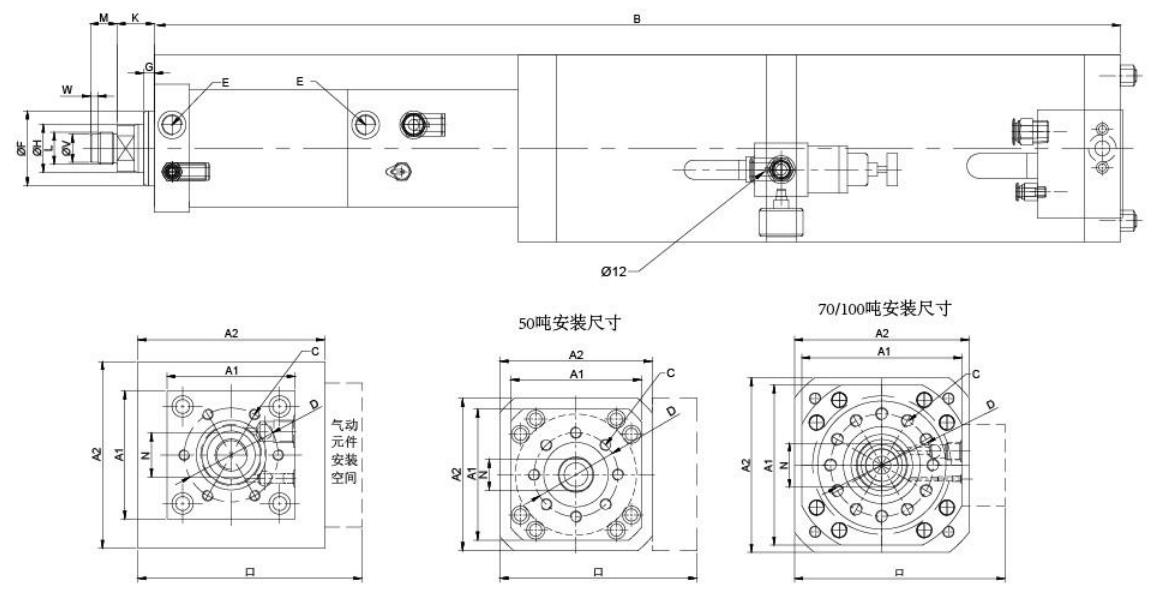
| Model | A1 | A2 | B | C | D | E | F(f7) | G | 工 | K | L | M | N | O | U(g6) | V | Remark |
| BS01-100-125 | 66 | 80 | 596 | 6-M6*12 | 40 | G1/8 | 30 | 10 | 16 | 24 | M12*1.5 | 15 | 13 | 110 | Spring | ||
| BS01-200-125 | 66 | 80 | 786 | 6-M6*12 | 40 | G1/8 | 30 | 10 | 16 | 24 | M12*1.5 | 15 | 13 | 110 | Spring | ||
| BS01-100-24S | 66 | 92 | 668 | 6-M6*12 | 40 | G1/8 | 30 | 10 | 16 | 24 | M12*1.5 | 15 | 13 | 135 | Spring | ||
| BS01-200-24S | 66 | 92 | 868 | 6-M6*12 | 40 | G1/8 | 30 | 10 | 16 | 24 | M12*1.5 | 15 | 13 | 135 | Spring | ||
| BS02-100-12S | 78 | 92 | 683 | 6-M8*15 | 54 | G1/4 | 40 | 10 | 20 | 26 | M16*1.5 | 15 | 17 | 135 | Spring | ||
| BS02-200-125 | 78 | 92 | 883 | 6-M8*15 | 54 | G1/4 | 40 | 10 | 20 | 26 | M16*1.5 | 15 | 17 | 135 | Spring | ||
| BS02-100-24S | 78 | 112 | 714 | 6-M8*15 | 54 | G1/4 | 40 | 10 | 20 | 26 | M16*1.5 | 15 | 17 | 150 | Spring | ||
| BS02-200-245 | 78 | 112 | 914 | 6-M8*15 | 54 | G1/4 | 40 | 10 | 20 | 26 | M16*1.5 | 15 | 17 | 150 | Spring | ||
| BS04-100-12S | 98 | 112 | 730 | 6-M8*18 | 64 | G3/8 | 50 | 10 | 30 | 29 | M22*2 | 20 | 24 | 150 | 18 | 7 | Spring |
| BS04-200-12S | 98 | 112 | 937 | 6-M8*18 | 64 | G3/8 | 50 | 10 | 30 | 29 | M22*2 | 20 | 24 | 150 | Spring | ||
| BS04-100-24S | 98 | 137 | 762 | 6-M8*18 | 64 | G3/8 | 50 | 10 | 30 | 29 | M22*2 | 20 | 24 | 180 | 18 | 7 | Spring |
| BS04-200-24S | 98 | 137 | 962 | 6-M8*18 | 64 | G3/8 | 50 | 10 | 30 | 29 | M22*2 | 20 | 24 | 180 | Spring | ||
| BS08-100-12S | 120 | 137 | 792 | 6-M10*20 | 88 | G1/2 | 70 | 10 | 45 | 35 | M30*2 | 25 | 36 | 180 | 26 | 7 | Spring |
| BS08-200-125 | 120 | 137 | 1008 | 6-M10*20 | 88 | G1/2 | 70 | 10 | 45 | 35 | M30*2 | 25 | 36 | 180 | 26 | 7 | Spring |

| Model | A1 | A2 | B | C | D | E | F(f7) | G | H | K | L | M | N | 0 | U(g6) | V | Remark |
| BS08-100-24A | 120 | 177 | 872 | 6-M10*20 | 88 | G1/2 | 70 | 10 | 45 | 35 | M30*2 | 25 | 36 | 220 | Gas spring | ||
| BS08-200-24A | 120 | 177 | 1072 | 6-M10*20 | 88 | G1/2 | 70 | 10 | 45 | 35 | M30*2 | 25 | 36 | 220 | Gas spring | ||
| BS15-150-12A | 145 | 177 | 1044 | 6-M16*25 | 100 | G1/2 | 75 | 15 | 50 | 36 | M30*2 | 25 | 41 | 220 | Gas spring | ||
| BS15-250-12A | 145 | 177 | 1300 | 6-M16*25 | 100 | G1/2 | 75 | 15 | 50 | 36 | M30*2 | 25 | 41 | 220 | Gas spring | ||
| BS15-150-24A | 145 | 216 | 1114 | 6-M16*25 | 100 | G1/2 | 75 | 15 | 50 | 36 | M30*2 | 25 | 41 | 270 | Gas spring | ||
| BS15-250-24A | 145 | 216 | 1314 | 6-M16*25 | 100 | G1/2 | 75 | 15 | 50 | 36 | M30*2 | 25 | 41 | 270 | Gas spring | ||
| BS20-150-12A | 166 | 177 | 1110 | 6-M20*30 | 115 | G1/2 | 85 | 18 | 56 | 52 | M39*2 | 35 | 46 | 220 | Gas spring | ||
| BS20-250-12A | 166 | 216 | 1359 | 6-M20*30 | 115 | G1/2 | 85 | 18 | 56 | 52 | M39*2 | 35 | 46 | 270 | Gas spring | ||
| BS30-150-12A | 190 | 216 | 1135 | 6-M20*30 | 132 | G3/4 | 100 | 18 | 63 | 47 | M39*2 | 35 | 55 | 270 | Gas spring | ||
| BS30-250-12A | 190 | 216 | 1385 | 6-M20*30 | 132 | G3/4 | 100 | 18 | 63 | 47 | M39*2 | 35 | 55 | 270 | Gas spring | ||
| BS50-200-12A | 240 | 268 | 1285 | 8-M20*35 | 150 | G3/4 | 115 | 25 | 63 | 56 | M42*2 | 40 | 55 | 330 | Gas spring | ||
| BS75-200-12A | 315 | 1629 | 12-M24*45 | 200 | G1 | 150 | 20 | 100 | 60 | M64*2 | 60 | 85 | 380 | Gas spring | |||
| BS100-200-12A | 315 | 332 | 1643 | 12-M24*45 | 200 | G1 | 150 | 20 | 100 | 60 | M64*2 | 60 | 85 | 380 | Gas spring |
Tell us your material, thickness & application
Our engineer will recommend the right model within 12 hours
Click to open WhatsApp Web or Scan the QR Code
Talk to our engineer directly on WhatsApp
Phone: 08615902112183
E-mail: zengyan@simitch.cn
Address: Building 13, No. 18 Xinyuan Road, Chengxiang Town, Taicang City, Jiangsu Province, China
Copyright © 2024 Suzhou Simitch Machinery Co., Ltd
Tell us your material, thickness & application
Our engineer will recommend the right model within 12 hours
✔ No spam
✔ Response within 12 hours